工业和信息化部办公厅关于印发工业领域碳达峰碳中和标准体系建设指南的通知
发布: 发布日期:2024/02/22

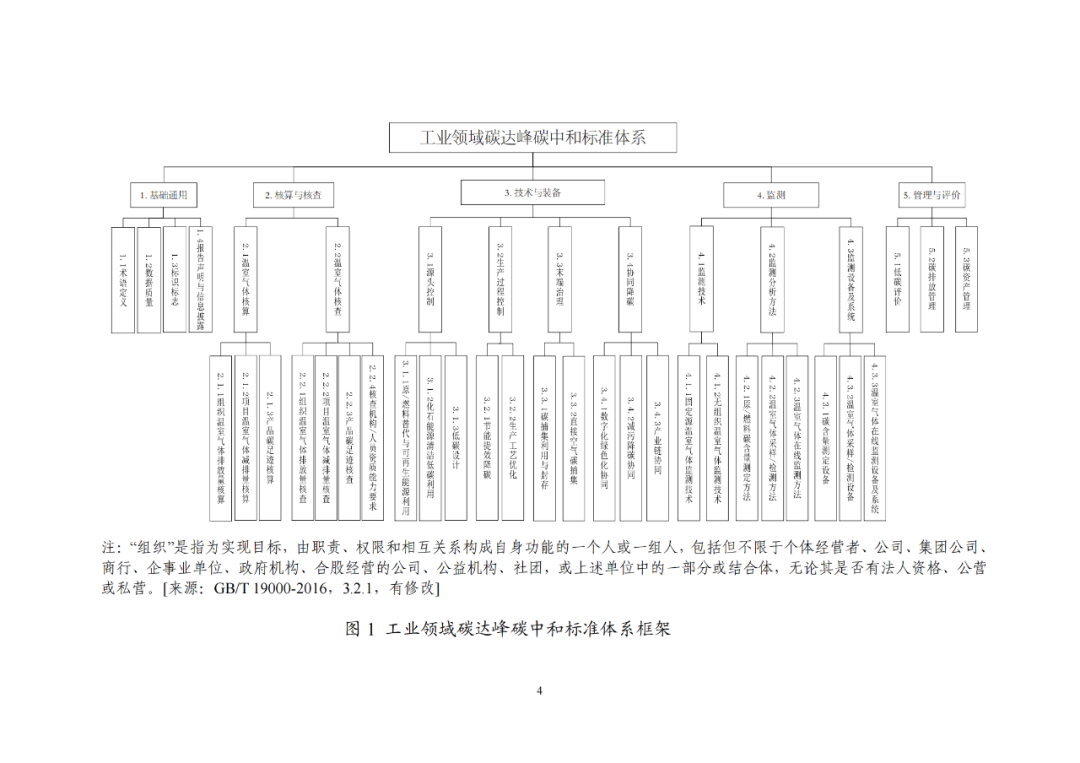
各省、自治区、直辖市工业和信息化主管部门,有关行业协会、标准化技术组织和专业机构:为切实发挥标准对工业领域碳达峰碳中和的支撑和引领作用,工业和信息化部依据《新产业标准化领航工程实施方案(2023-2035年)》《工业领域碳达峰实施方案》《建立健全碳达峰碳中和标准计量体系实施方案》等,组织编制了《工业领域碳达峰碳中和标准体系建设指南》。现印发给你们,请结合本地区、本行业、本领域实际,在标准化工作中贯彻执行。











